ລະບົບ Electrolytic Desorption ແມ່ນຫຍັງ ແລະເປັນຫຍັງມັນຈຶ່ງຈໍາເປັນສໍາລັບການສະກັດເອົາຄໍາທີ່ທັນສະໄຫມ

ໄດ້Desorption Electrolytic Systemເປັນເທກໂນໂລຍີທີ່ສໍາຄັນໃນການຂຸດຄົ້ນຄໍາທີ່ທັນສະໄຫມ, ໂດຍສະເພາະໃນຂະບວນການຄາບອນໃນເນື້ອເຍື່ອ (CIP) ແລະຄາບອນໃນ leach (CIL). blog ນີ້ຂຸດຄົ້ນວິທີການເຮັດວຽກຂອງລະບົບ, ອົງປະກອບຂອງມັນ, ຂໍ້ດີ, ແລະເປັນຫຍັງມັນຈຶ່ງກາຍເປັນມາດຕະຖານໃນການຟື້ນຟູຄໍາທີ່ມີປະສິດທິພາບ. ພວກເຮົາຍັງເນັ້ນໃຫ້ເຫັນເຖິງວິທີທີ່ບໍລິສັດມັກEPICກໍາລັງຂັບເຄື່ອນການປະດິດສ້າງໃນຂົງເຂດນີ້. ໃນທີ່ສຸດ, ທ່ານຈະມີຄວາມເຂົ້າໃຈທີ່ສົມບູນແບບກ່ຽວກັບວິທີລະບົບນີ້ເພີ່ມຜົນຜະລິດ, ຫຼຸດຜ່ອນຄ່າໃຊ້ຈ່າຍ, ແລະປັບປຸງອັດຕາການຟື້ນຕົວ.

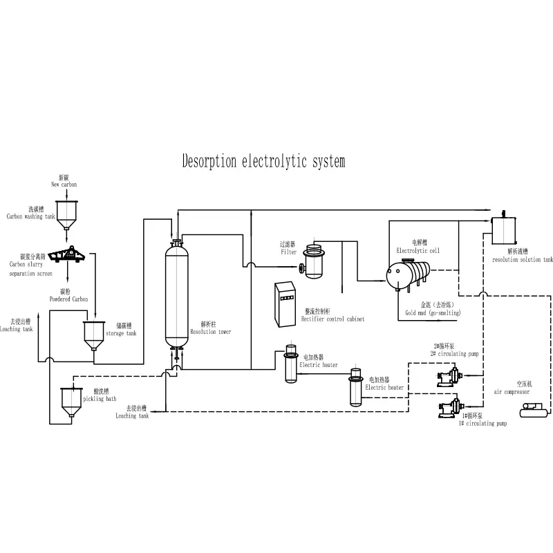
Desorption Electrolytic System

ສາລະບານ


ລະບົບ Electrolytic Desorption ແມ່ນຫຍັງ

A Desorption Electrolytic Systemເປັນລະບົບການຟື້ນຕົວຂອງຄໍາແບບພິເສດທີ່ໃຊ້ເພື່ອສະກັດຄໍາຈາກຄາບອນທີ່ເປີດໃຊ້ງານ. ມັນຖືກນໍາໃຊ້ຢ່າງກວ້າງຂວາງໃນການດໍາເນີນງານຂຸດຄົ້ນບໍ່ແຮ່ບ່ອນທີ່ຄໍາຖືກດູດຊຶມເຂົ້າໄປໃນອະນຸພາກຄາບອນໃນລະຫວ່າງຂະບວນການ leaching.

  • Desorption: ເອົາຄໍາອອກຈາກຄາບອນໂດຍໃຊ້ວິທີແກ້ໄຂທີ່ມີອຸນຫະພູມສູງແລະຄວາມກົດດັນສູງ
  • Electrolysis: ຟື້ນຟູຄໍາຈາກການແກ້ໄຂໃສ່ cathodes
  • ລະບົບວົງປິດ: ຮັບປະກັນປະສິດທິພາບແລະການສູນເສຍຫນ້ອຍທີ່ສຸດ

ລະບົບນີ້ເປັນສິ່ງຈໍາເປັນສໍາລັບການປັບປຸງປະສິດທິພາບການຟື້ນຟູແລະການຫຼຸດຜ່ອນຄ່າໃຊ້ຈ່າຍໃນການດໍາເນີນງານ, ເຮັດໃຫ້ມັນເປັນອົງປະກອບຫຼັກໃນໂຮງງານປຸງແຕ່ງຄໍາທີ່ທັນສະໄຫມ.


ລະບົບ Electrolytic Desorption ເຮັດວຽກແນວໃດ

ຫຼັກ​ການ​ເຮັດ​ວຽກ​ຂອງ ກDesorption Electrolytic Systemມີ​ສອງ​ຂັ້ນ​ຕອນ​ຕົ້ນ​ຕໍ​:

  1. ຂັ້ນຕອນການດູດຊຶມ:ຄາບອນທີ່ບັນຈຸທອງຖືກປະຕິບັດດ້ວຍການແກ້ໄຂ alkaline cyanide ຮ້ອນ, ປ່ອຍ ions ຄໍາ.
  2. ຂັ້ນຕອນຂອງ electrolysis:ການແກ້ໄຂທີ່ອຸດົມສົມບູນຂອງຄໍາຈະຜ່ານຈຸລັງ electrolytic ທີ່ເງິນຝາກຄໍາໃສ່ cathodes ຂົນເຫຼັກ.

ຂະບວນການຮັບປະກັນປະສິດທິພາບສູງແລະອະນຸຍາດໃຫ້ດໍາເນີນການຢ່າງຕໍ່ເນື່ອງ, ຊຶ່ງເປັນເຫດຜົນທີ່ວ່າລະບົບຈາກບໍລິສັດເຊັ່ນEPICຖືກຮັບຮອງເອົາຢ່າງກວ້າງຂວາງໃນການນໍາໃຊ້ອຸດສາຫະກໍາ.


ອົງປະກອບຫຼັກຂອງລະບົບ

ອົງປະກອບ ຟັງຊັນ
ຖັນ Desorption ຖືກາກບອນທີ່ເປີດໃຊ້ງານ ແລະ ອໍານວຍຄວາມສະດວກໃນການກໍາຈັດຄໍາ
ຈຸລັງໄຟຟ້າ ຟື້ນຟູຄໍາໂດຍຜ່ານ electrolysis
ເຄື່ອງແລກປ່ຽນຄວາມຮ້ອນ ຮັກສາອຸນຫະພູມທີ່ຕ້ອງການ
ລະບົບການກັ່ນຕອງ ເອົາ impurities ອອກຈາກການແກ້ໄຂ
ລະບົບຄວບຄຸມ ອັດຕະໂນມັດການດໍາເນີນງານແລະຕິດຕາມກວດກາຕົວກໍານົດການ

ແຕ່ລະອົງປະກອບມີບົດບາດສໍາຄັນໃນການຮັບປະກັນໃຫ້ລະບົບເຮັດວຽກຢ່າງມີປະສິດທິພາບແລະສອດຄ່ອງ.


ຂໍ້ໄດ້ປຽບດ້ານວິຊາການແລະຄຸນນະສົມບັດ

  • ອັດ​ຕາ​ການ​ຟື້ນ​ຕົວ​ຂອງ​ຄໍາ​ສູງ (ເຖິງ 98​%​)
  • ການບໍລິໂພກພະລັງງານຕໍ່າ
  • ການດໍາເນີນງານອັດຕະໂນມັດສໍາລັບການຫຼຸດຜ່ອນຄ່າໃຊ້ຈ່າຍແຮງງານ
  • ການອອກແບບກະທັດຮັດເພື່ອປະສິດທິພາບພື້ນທີ່
  • ເປັນມິດກັບສິ່ງແວດລ້ອມດ້ວຍການປ່ອຍອາຍພິດໜ້ອຍທີ່ສຸດ

ຜູ້ຜະລິດມັກEPICປັບປຸງລະບົບເຫຼົ່ານີ້ຢ່າງຕໍ່ເນື່ອງເພື່ອຕອບສະຫນອງຄວາມຕ້ອງການຂອງອຸດສາຫະກໍາທີ່ກໍາລັງພັດທະນາ, ຮັບປະກັນການປະຕິບັດທີ່ດີຂຶ້ນແລະຄວາມຫນ້າເຊື່ອຖື.


ຄໍາຮ້ອງສະຫມັກໃນການປຸງແຕ່ງຄໍາ

ໄດ້Desorption Electrolytic Systemຖືກນໍາໃຊ້ຢ່າງກວ້າງຂວາງໃນ:

  • ໂຮງງານຂຸດຄົ້ນຄໍາ
  • ການດໍາເນີນງານ CIP (Carbon-in-Pulp).
  • ຂະບວນການ CIL (Carbon-in-Leach).
  • ການຟື້ນຕົວຂອງຫາງທອງ

ຄວາມຄ່ອງແຄ້ວຂອງມັນເຮັດໃຫ້ມັນເຫມາະສົມສໍາລັບການຂຸດຄົ້ນບໍ່ແຮ່ອຸດສາຫະກໍາຂະຫນາດໃຫຍ່ແລະການດໍາເນີນງານຂະຫນາດນ້ອຍທີ່ຊອກຫາການປັບປຸງປະສິດທິພາບ.


ການປຽບທຽບກັບວິທີການແບບດັ້ງເດີມ

ຄຸນສົມບັດ Desorption Electrolytic System ວິທີການແບບດັ້ງເດີມ
ປະສິດທິພາບ ສູງ ປານກາງ
ອັດຕະໂນມັດ ອັດຕະໂນມັດຢ່າງເຕັມສ່ວນ ຄູ່ມືຫຼືເຄິ່ງອັດຕະໂນມັດ
ຄ່າໃຊ້ຈ່າຍ ຄ່າໃຊ້ຈ່າຍໃນໄລຍະຍາວຕ່ໍາ ຄ່າໃຊ້ຈ່າຍໃນການດໍາເນີນງານທີ່ສູງຂຶ້ນ
ຜົນກະທົບຕໍ່ສິ່ງແວດລ້ອມ ຕໍ່າ ສູງກວ່າ

ຢ່າງຊັດເຈນ, ລະບົບທີ່ທັນສະໄຫມສະຫນອງຂໍ້ໄດ້ປຽບທີ່ສໍາຄັນກ່ຽວກັບເຕັກນິກການຟື້ນຕົວຂອງຄໍາແບບດັ້ງເດີມ.


ຄູ່ມືການຄັດເລືອກສໍາລັບຜູ້ຊື້

ເມື່ອເລືອກ ກDesorption Electrolytic System, ພິຈາລະນາປັດໃຈດັ່ງຕໍ່ໄປນີ້:

  • ຄວາມສາມາດໃນການປຸງແຕ່ງ
  • ລະດັບອັດຕະໂນມັດ
  • ປະສິດທິພາບພະລັງງານ
  • ຊື່ສຽງຂອງຜູ້ຜະລິດ (ເຊັ່ນ: EPIC)
  • ສະຫນັບສະຫນູນຫຼັງການຂາຍ

ການເລືອກລະບົບທີ່ຖືກຕ້ອງຮັບປະກັນຄວາມສໍາເລັດໃນໄລຍະຍາວຂອງການດໍາເນີນງານແລະຜົນຕອບແທນສູງສຸດຂອງການລົງທຶນ.


ຄໍາແນະນໍາກ່ຽວກັບການບໍາລຸງຮັກສາແລະການດໍາເນີນງານ

  • ກວດກາທໍ່ ແລະປ່ຽງເປັນປະຈຳ
  • ຕິດຕາມອຸນຫະພູມແລະຄວາມກົດດັນ
  • ເຮັດຄວາມສະອາດຈຸລັງ electrolytic ເປັນແຕ່ລະໄລຍະ
  • ປ່ຽນອົງປະກອບທີ່ເສຍໄປທັນທີ
  • ປະຕິບັດຕາມຄໍາແນະນໍາຜູ້ຜະລິດຢ່າງເຂັ້ມງວດ

ການບໍາລຸງຮັກສາທີ່ເຫມາະສົມຢ່າງຫຼວງຫຼາຍຂະຫຍາຍຊີວິດຂອງລະບົບແລະຮັບປະກັນການປະຕິບັດທີ່ສອດຄ່ອງ.


FAQ

1. ຈຸດປະສົງຫຼັກຂອງລະບົບໄຟຟ້າ Desorption Electrolytic ແມ່ນຫຍັງ?

ຈຸດ​ປະ​ສົງ​ຕົ້ນ​ຕໍ​ຂອງ​ມັນ​ແມ່ນ​ເພື່ອ​ສະ​ກັດ​ແລະ​ຟື້ນ​ຕົວ​ຄໍາ​ຈາກ​ກາກ​ບອນ​ກະ​ຕຸ້ນ​ໄດ້​ປະ​ສິດ​ທິ​ຜົນ​.

2. ລະບົບມີປະສິດທິພາບແນວໃດ?

ລະບົບສ່ວນໃຫຍ່ບັນລຸອັດຕາການຟື້ນຕົວຂອງຄໍາຫຼາຍກວ່າ 95%, ຂຶ້ນກັບເງື່ອນໄຂການດໍາເນີນງານ.

3. ລະບົບເປັນມິດກັບສິ່ງແວດລ້ອມບໍ?

ແມ່ນແລ້ວ, ລະບົບທີ່ທັນສະໄຫມໄດ້ຖືກອອກແບບເພື່ອຫຼຸດຜ່ອນການປ່ອຍອາຍພິດແລະຫຼຸດຜ່ອນຂີ້ເຫຍື້ອເຄມີ.

4. ມັນສາມາດປັບແຕ່ງໄດ້ບໍ?

ແມ່ນແລ້ວ, ບໍລິສັດເຊັ່ນ EPIC ສະເຫນີການແກ້ໄຂທີ່ສາມາດປັບແຕ່ງໄດ້ໂດຍອີງໃສ່ຄວາມຕ້ອງການຂອງການປຸງແຕ່ງ.

5. ອຸດສາຫະກໍາໃດທີ່ໃຊ້ລະບົບນີ້?

ຕົ້ນຕໍແມ່ນອຸດສາຫະກໍາຂຸດຄົ້ນຄໍາ, ແຕ່ຍັງຢູ່ໃນຄໍາຮ້ອງສະຫມັກການຟື້ນຕົວຂອງໂລຫະປະເສີດ.


ສະຫຼຸບ

ໄດ້Desorption Electrolytic Systemເປັນຕົວແທນຂອງຄວາມກ້າວຫນ້າໃນເຕັກໂນໂລຢີການຟື້ນຟູຄໍາ, ສະເຫນີປະສິດທິພາບທີ່ບໍ່ກົງກັນ, ຄວາມຫນ້າເຊື່ອຖື, ແລະການປະຕິບັດດ້ານສິ່ງແວດລ້ອມ. ມີຄວາມກ້າວຫນ້າຢ່າງຕໍ່ເນື່ອງຈາກຜູ້ນໍາອຸດສາຫະກໍາເຊັ່ນEPIC, ລະບົບນີ້ໄດ້ກາຍເປັນຄວາມຈໍາເປັນເພີ່ມຂຶ້ນສໍາລັບການດໍາເນີນການຂຸດຄົ້ນບໍ່ແຮ່ທີ່ທັນສະໄຫມ. ຖ້າທ່ານກໍາລັງຊອກຫາການເພີ່ມປະສິດທິພາບຂະບວນການຂຸດຄົ້ນຄໍາຂອງທ່ານແລະປັບປຸງກໍາໄລ, ການລົງທຶນໃນລະບົບທີ່ມີຄຸນນະພາບສູງແມ່ນທາງເລືອກທີ່ສະຫລາດ.ຕິດຕໍ່ພວກເຮົາມື້ນີ້ເພື່ອຮຽນຮູ້ເພີ່ມເຕີມກ່ຽວກັບວິທີທີ່ພວກເຮົາສາມາດສະຫນອງການແກ້ໄຂທີ່ເຫມາະສົມກັບຄວາມຕ້ອງການຂອງເຈົ້າ.

ສົ່ງສອບຖາມ

X
ພວກເຮົາໃຊ້ cookies ເພື່ອສະເຫນີໃຫ້ທ່ານມີປະສົບການການຊອກຫາທີ່ດີກວ່າ, ວິເຄາະການເຂົ້າຊົມເວັບໄຊທ໌ແລະປັບແຕ່ງເນື້ອຫາ. ໂດຍການນໍາໃຊ້ເວັບໄຊທ໌ນີ້, ທ່ານຕົກລົງເຫັນດີກັບການນໍາໃຊ້ cookies ຂອງພວກເຮົາ. ນະໂຍບາຍຄວາມເປັນສ່ວນຕົວ